Sonderflansch
gebohrt nach DIN EN 1092-1 PN 10
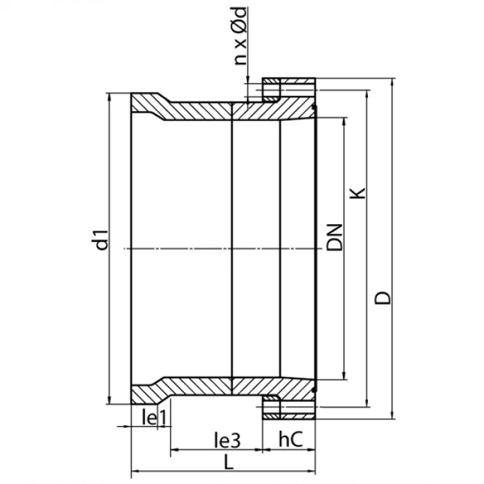
mit EPDM-O-Ring und hinterlegtem kunststoffbeschichtetem Stahlring
optional mit verzinktem Stahlring oder Edelstahlring erhältlich
kurzschenklig zum Stumpfschweißen
mit EPDM-O-Ring und hinterlegtem kunststoffbeschichtetem Stahlring
optional mit verzinktem Stahlring oder Edelstahlring erhältlich
kurzschenklig zum Stumpfschweißen
PE100-RC


|
SDR 17 |
|||||||||||||||||||||||||||||||||||||||||||||||||||||||||||||||||||||||||||||||||||||||||||||||||||
|---|---|---|---|---|---|---|---|---|---|---|---|---|---|---|---|---|---|---|---|---|---|---|---|---|---|---|---|---|---|---|---|---|---|---|---|---|---|---|---|---|---|---|---|---|---|---|---|---|---|---|---|---|---|---|---|---|---|---|---|---|---|---|---|---|---|---|---|---|---|---|---|---|---|---|---|---|---|---|---|---|---|---|---|---|---|---|---|---|---|---|---|---|---|---|---|---|---|---|---|
| Art. Nr. | DN [mm] | d1 [mm] | D [mm] | le1 [mm] | le3 [mm] | L [mm] | K [mm] | n | ød [mm] | hC [mm] | kg |
||||||||||||||||||||||||||||||||||||||||||||||||||||||||||||||||||||||||||||||||||||||||
| 4330201708000700 | 700 | 800 | 895 | 85 | 210 | 450 | 840 | 24 | 30 | 120 | 98,70 | ||||||||||||||||||||||||||||||||||||||||||||||||||||||||||||||||||||||||||||||||||||||||
* Für Gasleitungen mit glatter Dichtfläche oder NBR-Dichtung lieferbar
Lieferprogramm:
SDR17, PN10: d 90 - 1200 mm SDR11, PN10: d 90 - 710 mm SDR11, PN16: d 250 - 710 mm